Snekker i Østfold
Formidlede anbud
-
0Siste år
-
0Siste 3 mnd
-
0Aktive nå
Østfold
Avsluttet
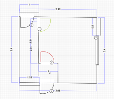
Avdeling av rom, vegg +dør mm
Trenger få satt opp en vegg i et rom i en enebolig for avdeling av rommet. Rommet er 3, 4 x 4 m, vegg blir da 3, 4 m + dør og lett lydisolering. Vegg bør være malbar.
i enden er det en murvegg, troligvis bærende og brannmur, det er en eldre bolig og det har mest sannsynlig vært ildsted der. Pipeløp har nå stålrør innvendig. dør i enden ønsker også å flyttes. Har laget en skisse, og lagt ved bilder av rommet.
Et alternativ for å få ned kostnad er å ikke flytte dør og rive brannmur men å lage en vinkel på korridoren, se skisse.
Anbud id:
1000120
-
Sted:Fredrikstad
-
Registrert:Fredag 16. Mai 2025
Er du interessert i dette oppdraget?
Lignende oppdrag i Østfold
6 anbud
-
Isolere knevegg på badVannledning til vaskemaskin og badekar fryser på kalde dager med nordavind. Mistenker dårlig isolasjon bak knevegg. Knevegg knapt 3m lang og 0, 6m høy stående trepanel. Badet pusset opp ca 2004. Huse...
-
Fredrikstad
-
Mandag 17. November 2025
-
-
Rehabilitering av badVi har revet det gamle badet og ønsker tilbud på å bygge det opp igjen. Flislegging, alt av rør vannskap, innredning, dusj badekar
-
Fredrikstad
-
Fredag 14. November 2025
-
-
Ombygging av romØnsker anbud på å sette opp en vegg for å dele et rom, åpne en vegg for å sette inn dør samt legge nytt gulv. Jobben innebærer også å rive ned en plassbygget hylle. Ønsker at den som tar jobben kan g...
-
Fredrikstad
-
Torsdag 6. November 2025
-
-
Utskifting av takplater og takrenner og retting av galvanisert rekkverkTrenger tilbud på utskifting av takplater og takrenner og retting av galvanisert rekkverk etter fall av tre på taket på annekset på hytta. Se bilder.-
Fredrikstad
-
Onsdag 5. November 2025
-
-
Gulvseng med høy grindØnsker å få bygd en gulvseng med høy grind til barnet mitt på 1 år. Legger ved bilde for å vise hva jeg er på utkikk etter. Sengen skal ha plass til 80x160 eller 70x140 madrass. Den kan gjerne være li...-
Fredrikstad
-
Søndag 2. November 2025
-
-
Fjerne ca 30 kvm med eternittplater på vegg.Fjerne ca 30 kvm eternittplater på vegg. Platene er 30x40 cm.
-
Fredrikstad
-
Søndag 2. November 2025
-